перестала работать задняя подвеска.
Модератор: User buggy
перестала работать задняя подвеска.
Уважаемые,подскажите.Почему перестала работать задняя подвеска.При первом варианте,все работало,но рвало салентблоки.Решил переделать :на ступице убрал верхний рог кулака,верхний рычаг оставил на сайлентблоках,нижний рычаг установил на две шаровые опоры (для меньшей вибраций).Теперь стойка полностью сжимается,а рычаги сгибаются вверх (как при наезде на бугры).Неужели так повлияли нижние шаровые? Обратно переводить на втулки сайлентблоки.Или востанавливать проекцию кулака?
Re: перестала работать задняя подвеска.
Может стойку снять ,распустить болты сайлентблоков и руками покачав подвеску проверить ее ход? Раз рвет сайлентблоки-хода значительные. У шаровой ее палец может упираться в корпус шаровой,снимите пыльник,гляньте,что там происходит
Re: перестала работать задняя подвеска.
Прокачка подвески без пружины отличная (на данный момент). Как будто при новой схеме(вариант 2) слабая пружина для общего веса.Она сжалась,и рычаги просели вверх.Менял на новые пружины,эффект тот же.При прокачке общего веса,вся подвеска валкая (слабая),практически руками качаешь как колыбель,без сопротивления.Общий вес около тонны.Скорей всего -причина слабая пружина.А первый вариант подвески работал неправильно.Вездеход на задней подвеске стоял на ,,цыпочках,,.Нижние рычаги работали на отбой.Или может стойки поставить вертикально? Вот одно фото сохранилось с вариантом 1,небольшой наезд на бугор.
Re: перестала работать задняя подвеска.
если я правильно понял, то изменилось плечо рычага. или ставить стойку ближе к вертикали, или пружину жестче.
Re: перестала работать задняя подвеска.
вертикально или под небольшим углом- какая разница жесткость пружины не поменяется.Разве,что по две стойки поставить
Re: перестала работать задняя подвеска.
Вот практически у меня также ,как на этом снимке,но у меня пружины сжались полностью.
Re: перестала работать задняя подвеска.
Что то аксакалы не торопятся помогать)
Могу предположить, если у тебя углы такие же как на картинке то делать стойки более вертикально особого смысла уже нет. Остается искать жесткие пружины ну или проставки поставить увеличив преднатяг.
Могу предположить, если у тебя углы такие же как на картинке то делать стойки более вертикально особого смысла уже нет. Остается искать жесткие пружины ну или проставки поставить увеличив преднатяг.
Re: перестала работать задняя подвеска.
Пружины уже менял на 2111(по паспорту они более жесткии).Вопрос видимо не в пружинах,а в геометрии.Меня смущает крепление верхнего рычага к кулаку,сквозь болт.Скорей всего рычаг не имеет опору на кулак ,а прокручивает кулак,когда нижний рычаг изменяет свое отклонение на шаровых.Если сделать крепление верхнего рычага на шаровую опору,то будет плотная опора на кулак ,а работа верхней шаровой будет согласована с ниж.шаровыми.
Re: перестала работать задняя подвеска.
Без фоток не могу понять о чем ты. Тем не менее, не важно, как и через что соединены кулак и рычаги. Плечо рычага не меняется. М.б. 2111 недостаточно жесткие или просевшие(если не новые).
Re: перестала работать задняя подвеска.
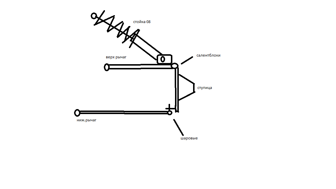
Вот фото и схема на данный момент.(стойка просто приставлена)
-
Самоделкин713
- Студент
- Сообщения: 65
- Зарегистрирован: Вт май 28, 2019 10:43 pm
Re: перестала работать задняя подвеска.
Может стоит попробовать перенести это в любую CAD программу и там проанализировать? Не зря же люди старались, работали над симулятивным функционалом
Там уже станет ясно почему сайленты рвало и почему проседает в нулину
Там уже станет ясно почему сайленты рвало и почему проседает в нулину
Re: перестала работать задняя подвеска.
При аналогичной схеме подвески замучился с подбором пружин, остановился третьем комплекте, на передних пружинах от мерса с мотором 3.2 л.
Правда сайленты не рвало. Если сайокнты рвёт, то косяк в геометрии или в изготовлении.
При установке пружины на расстоянии от точки качания, например в центр рычага нужна пружина в 2 раза жестче. При наклоне ее, жесткость ещё больше необходимо увеличивать.
В общем для начала, проверь геометрию, нет ли заломов шаровой и параллельность осей качания. Если все в порядке, воткни пружины с морды классики для пробы.
При установке пружины на расстоянии от точки качания, например в центр рычага нужна пружина в 2 раза жестче. При наклоне ее, жесткость ещё больше необходимо увеличивать.
В общем для начала, проверь геометрию, нет ли заломов шаровой и параллельность осей качания. Если все в порядке, воткни пружины с морды классики для пробы.
Re: перестала работать задняя подвеска.
Чтобы было точней,то вот первоначальная схема.Стойка задняя 08 с родной пружиной стояла в корпусе передней стойки 08.Этот гибрид шарнирно укреплен на верхнем роге кулака.Верхний рычаг играл функцию стабилизатора кулака чтобы меньше болтало,колесо не маленькое.А рвало сайленты, из за неправильного крепления верхнего рычага.Сейчас уже понемногу доходит,если стойка укреплена на конце плеча кулака( как в первом варианте), то жесткости родной пружины хватает.Если относить подальше от кулака,то уже жесткости не хватает.А есть примеры как переделывают стойку 08 ,для большей пружины,там ведь другие чашки?
- Вложения
-
- вариант один.png (7.45 КБ) 23877 просмотров
Re: перестала работать задняя подвеска.
Bookvoed ,На данный момент у тебя проект ,,Пластиковая вездебагга,,, с поперчнорессорной подвеской. У меня эта подвеска впереди.Сейчас задумался,может отказаться от рычажной подвески и сделать и взади поперчнорессорную. Артикуляции конечно минимум, только мягкость.Но рычажная тоже артикуляцию немного дает.Хода приводов и там и там ограничены.Bookvoed писал(а): ↑Сб июл 20, 2019 12:55 pm При аналогичной схеме подвески замучился с подбором пружин, остановился третьем комплекте, на передних пружинах от мерса с мотором 3.2 л.Правда сайленты не рвало. Если сайокнты рвёт, то косяк в геометрии или в изготовлении.
При установке пружины на расстоянии от точки качания, например в центр рычага нужна пружина в 2 раза жестче. При наклоне ее, жесткость ещё больше необходимо увеличивать.
В общем для начала, проверь геометрию, нет ли заломов шаровой и параллельность осей качания. Если все в порядке, воткни пружины с морды классики для пробы.
Re: перестала работать задняя подвеска.
На восьмерке стойка стоит вертикально и ее сайлентблоки не рассчитаны на такое искручивание,какое происходит ,если стойку завалить под 60 или 45 градусов .Для таких условий работы разработаны шароблоки. Лично мое мнение- стойку надо ставить максимально вертикально,нижний конец стойки максимально близко к колесу- может даже лучше на нижний рычаг. Стоечку можно удлинить в нижней части- нарастить трубой как у Нивоводца на катлете сделано https://vk.com/video-90407106_456239130 ... c54cb1e0b0vital62 писал(а): ↑Сб июл 20, 2019 3:13 pm Чтобы было точней,то вот первоначальная схема.Стойка задняя 08 с родной пружиной стояла в корпусе передней стойки 08.Этот гибрид шарнирно укреплен на верхнем роге кулака.Верхний рычаг играл функцию стабилизатора кулака чтобы меньше болтало,колесо не маленькое.А рвало сайленты, из за неправильного крепления верхнего рычага.Сейчас уже понемногу доходит,если стойка укреплена на конце плеча кулака( как в первом варианте), то жесткости родной пружины хватает.Если относить подальше от кулака,то уже жесткости не хватает.А есть примеры как переделывают стойку 08 ,для большей пружины,там ведь другие чашки?
